Des solutions adaptées a chaque besoin.

Chez VPM, notre équipe d’experts, équipée des meilleurs outils tels que SolidWorks et AutoCAD, allie technicité et rigueur afin concevoir des équipements fiables et performants. Ces logiciels nous permettent de garantir une intégration parfaite et une précision optimale dans vos installations.

Nous nous engageons à vous fournir des solutions innovantes, conçues pour améliorer votre productivité et répondre aux défis de demain.

Nos réalisations

Ces plans sont la propriété de la S.A.R.L Vendée Process Manutention. Il ne peuvent être reproduits ou communiqués à des tiers sans autorisation. 

Implantation tour extension vrac
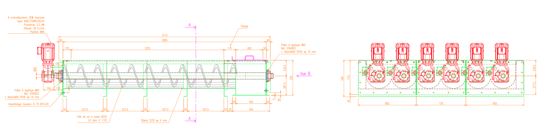
Ensemble extracteur multivis
Implantation mircrodosage dans usine
Ensemble double ensacheuse